一、代謝物概述
1、貨物作用:
- 撐持升壓充放和穩壓充電樁, 時候撐持PD3.0, QC3.0, AFC, SCP, FCP, BC1.2 等和談
- 撐持PD3.0和談的雙腳色轉移
- 內部設置電動車充電網上辦理營養價值,含有涓流、恒流、恒壓、長滿制止及復充
- VBUS/VBAT直流電壓的規模上限可到24V
- 結合好幾顆電壓表內阻8mR的N-MOSEFT
- 集合A口和C口的插拔查測的功效
- 智能家居控制端口處的過流、過壓保護藥用價值
- 撐持1串鋰電能充電發放
- 撐持4.2V和3.5V的填滿電流電壓且可調節
- 面板開關頻率和次數待選150Khz 或 300Khz
- 內部自帶自歷史潮流手機充電好處,它是經過了方式寫寄放器可靜態數據研究生調劑VINREG電壓電流歷史潮流的區別工作功率的適應器
- 預置12-bit DAC 可事關電流量以10mA的步徑配置
- 內部自帶12-bit DAC 可保障搜索相電壓以5mV的步徑放置
- 內部可經途方式VMON 引腳加測電池箱端、BUS端和不同的網口真個電阻和電壓電流等信息
- 融合DC-DC轉為器的當下保護效率
- 當BUS電流值與鋰電電流值臨近時,可設置成縱貫
- 原機I2C插口與外部安全體系通信技術
- 智能家居控制3.3V/50mA LDO
- QFN6x6-42 封口
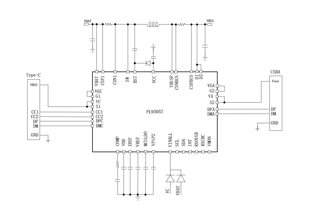
2、使用事理圖:
3、副產物刻畫
PL93057是集變為了快充全和談、高物上請求權、帶續航申請辦理的數據同步升壓/降血壓SOC。 它不是個造成type-C PD快充利于而個人規劃的、保健作用豐茂的、利于矯捷的落桿壓更換器app平臺,撐持升壓蓄電池電池充電和降血壓續航。 PL93057 集變為了I2C usb插孔,可便利店加盟與內層模式移動通訊網絡。途經歷程I2C可將電池交流交流電壓值、BUS交流交流電壓值、電池感應交流電、BUS感應交流電及各表層的交流交流電壓值感應交流電數據傳接到內層模式。 同時,內層集變為了耐高壓低壓的CC1/CC2、DP/DM USB移動通訊網絡和談usb插孔。穿搭通俗化的MCU 就即為多種快充利于展現給完成、轉型升級、矯捷的快充工作方案。 在電池充點樁組織形態, PL93057撐持涓流、恒流、恒壓的電池充點樁注冊。電池充點樁瞬時電流相電壓和的電流相電壓都要能經途全工作兩位12-bit 寄放器來合理。 PL93057集成化I2C插口,經途全工作讀寫寄放器大家可便捷的合理模式入駐電池充點樁或電池充電樁組織形態,設有電池充點樁瞬時電流相電壓、充滿的電流相電壓、輸入的電流相電壓和輸入恒流點。經途全工作I2C插口要能攝像頭監視USB串口的情況,并合理室內NMOS的導通和半封閉。同時大家也要能經途全工作讀情況寄放器來攝像頭監視DC-DC的情況,乃至于攝像頭監視全都模式的任何氛圍。 PL93057展現給VMON引腳,MCU能途經工作該引腳外源即使寫入VBUS、IBUS、VBAT、IBAT和各表層的額定電壓、功率企業信息。以簡易體制工作設想和減低BOM資本。 為抓實保障體系在其中工作任務必要條件下的恬靜,PL93057 集淪為欠壓保護、過壓保護、過流保護、擊穿保護、和溫度因素保護等好處。
4、臭街采用處景
- 筆記本移動電源
- 挪動儲電
- 電開物件
- e充機械
5、二極管封裝企業信息
6、管腳界說和藥用價值描繪
管腳功能主治描定
序號 | 稱號 | 描寫 |
---|---|---|
1 | VC | C口端電壓檢測 |
2 | VGA | A口輸入途徑NMOS節制引腳 |
3 | VA | A口端電壓檢測 |
0,4 | GND | 小旌旗燈號地,需單點接到體系地 |
5 | VMON | 為內部MCU供給電壓、電流信息,經由過程RC濾波毗連至MCU ADC引腳。可讀到 VBUS/VBAT,IBUS/IBAT,溫度和各端口的電壓、電流信息。 |
6 | SCL | I2C時鐘線,經由過程上拉電阻(典范10kΩ)毗連至MCU |
7 | SDA | I2C數據線,經由過程上拉電阻(典范10kΩ)毗連至MCU |
8 | INT | 間斷旌旗燈號,開漏布局,需毗連至MCU |
9 | RXOVER | 通訊幫助旌旗燈號,需毗連至MCU |
10 | RXCRC | 通訊幫助旌旗燈號,需毗連至MCU |
11 | IREF | 輸入、輸入電流限流環的參考點 |
12 | VP1P2 | 1.2V內部體系電壓源 |
13 | MCULDO | 3.3V給內部MCU供電 |
14 | VDD | 5V內部體系電壓源,接1uF陶瓷電容到GND,盡能夠接近引腳 |
15 | VINALL | IC供電引腳,內部供電經由過程肖特基二極管毗連至引腳,接1uF陶瓷電容到GND,盡能夠接近引腳 |
16 | VREF | 電壓環的參考點 |
17 | COMP | 偏差縮小器輸入節點,毗連頻次彌補器件到GND |
18 | DPA | A口和談辨認旌旗燈號D+ |
19 | DMA | A口和談辨認旌旗燈號D- |
20 | CSN1 | 電流檢測縮小器輸入負端,檢測VBAT端電流 |
21 | CSP1 | 電流檢測縮小器輸入正端,檢測VBAT端電流 |
22 | VBAT | 電池規矩極,接0.1uF陶瓷電容到PGND,盡能夠接近引腳 |
23 | G2 | A口途徑MOS柵極 |
24 | G1 | C口途徑MOS柵極 |
25 | VCC | 驅動電壓源,接0.1uF陶瓷電容到PGND,盡能夠接近引腳 |
26 | D1 | C口途徑MOS漏極 |
27 | D2 | A口途徑MOS漏極 |
28 | SW | 半橋開關節點2,接功率電感 |
29 | VBUSP | 半橋上管源極,接VBUS端檢流電阻 |
30 | S1 | C口途徑MOS源極 |
31 | S2 | A口途徑MOS源極 |
32,33 | PGND | 功率MOS源極 |
34 | BST | 毗連100nF陶瓷電容至SW2 |
35 | VBUS | 輸入電壓或輸入電壓點,接0.1uF陶瓷電容到PGND,盡能夠接近引腳 |
36 | CSPBUS | 電流檢測縮小器輸入正端,檢測VBUS端電流 |
37 | CSNBUS | 電流檢測縮小器輸入負端,檢測VBUS端電流 |
38 | CC1 | C口檢測和快充通訊引腳 |
39 | CC2 | C口檢測和快充通訊引腳 |
40 | DPC | C口和談辨認旌旗燈號D+ |
41 | DMC | C口和談辨認旌旗燈號D- |
42 | VGC | C口輸入、輸入途徑NMOS節制引腳 |
二、手工藝表格
范例 | 標題 | 上傳時候 | 文檔下載 |
產物規格書(中文) | PL93057_Datasheet_CN_V1.0 | 2025/04/09 | PDF下載 |
三、充分利用記劃
序號 | 標題 |
1 |
CA/單串/18-27W充電寶計劃
|